Блок подготовки воздуха Festo FRC-1/8-D-MINI-KF-A
Артикул: 185840
Сравнения
Избранное
Описание и характеристики
Основные характеристики
Тип оборудования:
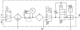
Комбинации блоков
Наименование:
Блок подготовки воздуха
Серия товара:
FRC
Условия эксплуатации
Рабочая температура:
От -10 °C до +60 °C
Температура окружающей среды:
От -10 °C до +60 °C
Сопротивление коррозии:
2 - Средняя стойкость к коррозии
Рабочая среда:
Сжатый воздух и вода. Инертные газы
Максимальное рабочее давление:
12 бар
Минимальное рабочее давление:
3 бар
Чистота воздуха на выходе:
Сжатый воздух в соответствии с ISO8573-1:2010 [7:4:-] Инертные газы
Массо-габаритные и монтажные характеристики
Вес:
1800 г
Монтажный шаг:
40 мм
Тип резьбы:
G
Тип крепления:
Линейный монтаж. С принадлежностями
Положение при сборке:
Вертикально +/- 5°
Особенности материалов
Материал стакана:
PC (Поликарбонат)
Материал корпуса:
Цинковая штамповка
Кожух стакана:
Металлический кожух стакана
Технические характеристики
Диапазон регулировки давления:
От 2,5 до 12 бар
Отвод конденсата:
Автоматический
Индикация:
Манометр
Максимальный гистерезис давления:
0,2 бар
Степень фильтрации:
40 мкм
Максимальный объем конденсата:
22 мл
Максимальный стандартный расход:
530
Фиксатор привода:
Поворотная рукоятка с фиксацией
Присоединение:
1/8
Комбинации блоков
Блок включения:
Клапан и распределитель вкл./выкл.
Блок разветвления:
Модуль разветвления с реле давления
Блок подготовки:
Маслораспылитель
Блок фильтрации:
Фильтр-регулятор
Блок давления:
Пневмо клапан плавного пуска
*Производитель оставляет за собой право без уведомления дилера менять характеристики, внешний вид, комплектацию товара и место его производства. Указанная информация не является публичной офертой.
Документация
Способы доставки
Доставляем товары по все территории РФ и ближнему зарубежью.
Стоимость доставки зависит от удаленности , веса товара, габаритов и тарифа транспортной компании.
Доставка возможна до терминала транспортной компании или до конечного адреса заказчика.
Самовывоз возможен с нашего склада: г. Краснодар, ул. Ростовское шоссе 22/2 В
Режим работы склада с 09-18:00.
Способы оплаты
- Оплата товаров физическими лицами при оформлении заказа на сайте производится в онлайн-сервисе приема платежей.
- При самовывозе товаров со склада возможна оплата как наличными, так и банковской картой с получением товарного и фискального чека.
- Для Юридических лиц и ИП оплата производится путем банковского перевода по реквизитам организации.Счет на оплату формируется в корзине либо по запросу.
Похожие товары
Сравнения
Избранное

цену уточняйте
Артикул: AC2000-02A
Блок подготовки воздуха SNS AC2000-02A
2 недели
Сравнения
Избранное

цену уточняйте
Артикул: 5X11V11B17L101
Блок подготовки воздухаантикоррозионный Metalwork SYNTESI 5X11V11B17L101
2 недели
Сравнения
Избранное

цену уточняйте
Артикул: T110203311310
Блок подготовки воздуха Aignep T110 203 311 310
2 недели

Фильтропатроны осушителя воздуха

Пневматические фильтры для подготовки воздуха

Отвод конденсата

Лубрикаторы (Маслораспылители) для пневмоинструмента

Модули разветвления

Осушители воздуха для компрессора

Усилители давления воздуха

Манометры и вакуумметры

Фильтры-регуляторы давления

Регуляторы давления воздуха