Датчик давления Festo SPAW-B11R-G12M-2PV-M12

Артикул: 8022804
Сравнения
Избранное
Производитель:
Festo
Артикул:
8022804
Наименование:
Датчик давления

Перейти к описанию
цену уточняйте
Цена с НДС 20%
В корзине
2 недели

Описание и характеристики

Основные характеристики

Серия товара:
SPAW
Наименование:
Датчик давления
Группа:
Датчики

Особенности материалов

Материалы в контакте со средой:
Легированная сталь, нержавеющая
Замечания по материалу:
Соответствует директиве RoHS
Материал корпуса:
ABS (Пластик) Нержавеющая легированная сталь
Материал уплотнительного кольца:
NBR (Бутадиен-нитрильный каучук)

Технические характеристики

Класс защиты:
IP65 IP67
Оптимальное решение для:
Пневмосистем с высоким давлением, жидкостей
Диапазон измерения давления:
От 0 до 10 бар
Диапазон установки порогового значения:
От 0,5 до 100 %
Тип измеряемого давления:
Избыточное
Напряжение питания:
От 15 до 35 В DC
Метод измерения:
Тензометрический
Диапазон настройки гистерезиса:
От 0,5 до 99,5 %
Точность повторения:
0,15% FS
Диапазон перегрузки:
20 бар
Максимальный выходной ток:
250 мА
Измеряемая величина:
Давление
Время нарастания:
3 мс
Выходной сигнал:
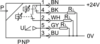
PNP (2x) 1 аналоговый выход

Метрологические характеристики

Точность, полный диапазон измеряемой величины:
1 % FS

Массо-габаритные и монтажные характеристики

Положение при сборке:
Любое
Подключение к среде:
G1/2
Тип крепления:
С наружной резьбой
Вес:
230 г

Дополнительные характеристики

Защита от несанкционированной перенастройки:
PIN-Code
Функция переключения:
Свободно программируемый
Единицы измерения:
МПа, бар, кПа, кгс/см², psi
Опции настройки:
Через дисплей и кнопки
Функция переключающего элемента:
Переключаемый
Тип дисплея:
4-символьный буквенно-цифровой Светодиодная индикация
Рабочий режим дисплея:
Красный светодиод

Электрические характеристики

Электрическое подключение:
M12x1
Электрическое состояние выхода:
Н. З. или Н. О. контакт
Количество контактов:
5-пин
Тип электрического подключения:
Розетка разъема по EN 60947-5-2
Диапазон сигнала:
От 0 до 10 В

Условия эксплуатации

Защита от короткого замыкания:
Да
Рабочая среда:
Сжатый воздух, вода, жидкость, газообразная среда
Сопротивление коррозии:
4 - Очень высокая стойкость к коррозии
Обозначение CE:
В соответствии с директивой EU по электромагнитной совместимости EMC
Температура окружающей среды:
От 0 °C до +80 °C
Рабочая температура:
От -20 °C до +85 °C
Защищен от смены полярности:
Для рабочего напряжения

Стандарты

Авторизация:
RCM Mark c UL us - Listed (OL)
*Производитель оставляет за собой право без уведомления дилера менять характеристики, внешний вид, комплектацию товара и место его производства. Указанная информация не является публичной офертой.

Документация

Способы доставки

Доставляем товары по все территории РФ и ближнему зарубежью.
Стоимость доставки зависит от удаленности , веса товара, габаритов и тарифа транспортной компании.
Доставка возможна до терминала транспортной компании или до конечного адреса заказчика.
Самовывоз возможен с нашего склада: г. Краснодар, ул. Ростовское шоссе 22/2 В
Режим работы склада с 09-18:00.

Способы оплаты

  • Оплата товаров физическими лицами при оформлении заказа на сайте производится в онлайн-сервисе приема платежей.
  • При самовывозе товаров со склада возможна оплата как наличными, так и банковской картой с получением товарного и фискального чека.
  • Для Юридических лиц и ИП оплата производится путем банковского перевода по реквизитам организации.Счет на оплату формируется в корзине либо по запросу.

Похожие товары

Сравнения
Избранное
22 524 ₽
Артикул: ПД100И-ДГ0,016-167-1,5.13
Датчик c повышенной влагозащитой ОВЕН ПД100И-ДГ0,016-167-1,5.13
2 недели
В корзине
Сравнения
Избранное
31 872 ₽
Артикул: 48355
Датчик давления в полевом корпусе для сложных условий ОВЕН ПД100-ДИ0,1-115-0,5
2 недели
В корзине
Сравнения
Избранное
3 960 ₽
Артикул: 52916
Датчик давления для ЖКХ и теплосетей ОВЕН ПД100-ДИ0,16-311-1,0
2 недели
В корзине
Сравнения
Избранное
34 308 ₽
Артикул: 34153012
Датчик давления в полевом корпусе для сложных условий ОВЕН ПД100-ДИВ0,03-115-0,5
2 недели
В корзине
Сравнения
Избранное
6 240 ₽
Артикул: 42681
Датчик давления для вспомогательных процессов ОВЕН ПД100-ДИ6,0-171-1,0
2 недели
В корзине

Индивидуальный подбор оборудования

Наша компания индивидуально подберет вам пневматического оборудование учитывая задачи и цели вашей компании.

Наши опытные инженеры готовы помочь вам в кратчайшие сроки. Для начала процесса подбора оборудования нам необходимо получить от вас информацию о вашей компании, конкретных задачах, которые вы хотите решить с помощью пневматического оборудования, а также ограничениях и требованиях, которые у вас есть.

Проведя анализ информации мы предложим вам оптимальное пневматическое оборудование, которое будет соответствовать вашим потребностям.

Мы учтем факторы, такие как производительность, эффективность, надежность и стоимость, чтобы предложить вам наилучшее решение.

Мы гарантируем индивидуальный подход к каждому клиенту и максимальную оперативность в решении задач. Наша цель - помочь вам оптимизировать процессы и достичь успеха в вашем бизнесе с помощью пневматического оборудования.

Если вы заинтересованы в индивидуальном подборе пневматического оборудования, пожалуйста, свяжитесь с нами, и наши специалисты будут рады помочь вам

Согласие на обработку
персональных данных *
directions
Более 427 000 наименований в нашем каталоге
Быстрая доставка
по РФ
Оплата в рассрочку или частями
Только оригинальная продукция

Меню сайта

Согласие на обработку
персональных данных *

В ближайшее время мы с Вами свяжемся
и уточним детали заявки

Тел: 8 800 555 39 10

Политика конфиденциальности

1. Пользователь заполняющий формы на сайте дает согласие на обработку Оператором своих персональных данных, то есть совершение, в том числе, следующих действий: обработку (включая сбор, систематизацию, накопление, хранение, уточнение (обновление, изменение)), использование, обезличивание, блокирование, уничтожение персональных данных, при этом общее описание вышеуказанных способов обработки данных приведено в Федеральном законе от 27.07.2006  № 152-ФЗ, а также на передачу такой информации третьим лицам, в случаях, установленных нормативными документами вышестоящих органов и законодательством.

2. Оператор использует персональные данные Пользователя в целях:
- получения запроса от Пользователя на Сайте;
- для оповещения об акциях, проводимых администрацией Сайта;
- получение Пользователем сообщений подписки, в рамках участника по условиям работы Сайта;
- получения Пользователем персонализированной рекламы;
- оформления запросов Пользователем настоящего Интернет ресурса сайта, получение уведомлений и ответов, на предмет текущего запроса;

3. Если предусмотрено при регистрации заявки на Сайте, Пользователь предоставляет следующую информацию: Фамилия, Имя, Отчество, контактный номер телефона, адрес электронной почты.

4. Настоящее согласие действует бессрочно.

5. Настоящее согласие может быть отозвано Пользователем в любой момент по соглашению сторон. В случае неправомерного использования предоставленных данных соглашение отзывается письменным заявлением субъекта персональных данных.

6. Субъект по письменному запросу имеет право на получение информации, касающейся обработки его персональных данных (в соответствии с п.4 ст.14 Федерального закона от 27.06.2006  № 152-ФЗ).