Датчик положения Festo SIEF-M12NB-NS-K-L

Артикул: 538314
Сравнения
Избранное
Производитель:
Festo
Артикул:
538314
Наименование:
Датчик положения

Перейти к описанию
цену уточняйте
Цена с НДС 20%
В корзине
2 недели

Описание и характеристики

Основные характеристики

Группа:
Датчики
Серия товара:
SIEF
Наименование:
Датчик положения

Дополнительные характеристики

Рабочий режим дисплея:
Жёлтый светодиод

Электрические характеристики

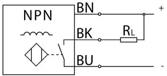
Электрическое состояние выхода:
Н. О. контакт
Количество контактов:
3-жильный
Остаточная пульсация:
10 %
Холостой ток:
<= 15 мА
Падение напряжения:
<= 1,8 В
Тип электрического подключения:
Кабель

Технические характеристики

Напряжение питания:
От 0 до 30 В DC
Класс защиты:
IP67
Метод измерения:
Индуктивный
Тип установки:
Выступающий
Измеряемая величина:
Положение
Выходной сигнал:
NPN
Максимальная частота переключения:
2000 Гц
Гарантированная дистанция переключения:
6,48 мм
Передаточное число:
Алюминий = 1,0Нержавеющая сталь, St 18/8 = 1.0Медь = 1,0Латунь = 1,0Сталь, St 37 = 1,0
Расстояние срабатывания:
8 мм
Гистерезис:
От 0,24 до 1,2 мм
Точность повторения:
0,16 мм
Максимальный выходной ток:
200 мА

Условия эксплуатации

Стойкость к магнитным полям:
Магнитное поле постоянного и переменного тока
Обозначение CE:
В соответствии с директивой EU по электромагнитной совместимости EMC
Защищен от смены полярности:
Для всех электрических соединений
Сопротивление коррозии:
2 - Средняя стойкость к коррозии
Защита от короткого замыкания:
Пульсирующий
Температура окружающей среды:
От -30 °C до +85 °C

Массо-габаритные и монтажные характеристики

Длина кабеля:
2,5 м
Размер:
M12
Вес:
120 г
Момент затяжки:
10 Нм
Форма датчика:
Цилиндрическая
Тип крепления:
С контргайкой

Особенности материалов

Материал изоляции:
PVC (Поливинилхлорид)
Материал оплетки кабеля:
TPE-U(PUR) (Термопластичный полиуретан)
Замечания по материалу:
Соответствует директиве RoHS
Материал корпуса:
Латунь PBT (Полибутилентерефталат) Хромирование

Стандарты

Авторизация:
RCM Mark c UL us - Listed (OL)
Соответствует стандарту:
EN 60947-5-2
*Производитель оставляет за собой право без уведомления дилера менять характеристики, внешний вид, комплектацию товара и место его производства. Указанная информация не является публичной офертой.

Документация

Способы доставки

Доставляем товары по все территории РФ и ближнему зарубежью.
Стоимость доставки зависит от удаленности , веса товара, габаритов и тарифа транспортной компании.
Доставка возможна до терминала транспортной компании или до конечного адреса заказчика.
Самовывоз возможен с нашего склада: г. Краснодар, ул. Ростовское шоссе 22/2 В
Режим работы склада с 09-18:00.

Способы оплаты

  • Оплата товаров физическими лицами при оформлении заказа на сайте производится в онлайн-сервисе приема платежей.
  • При самовывозе товаров со склада возможна оплата как наличными, так и банковской картой с получением товарного и фискального чека.
  • Для Юридических лиц и ИП оплата производится путем банковского перевода по реквизитам организации.Счет на оплату формируется в корзине либо по запросу.

Похожие товары

Сравнения
Избранное
цену уточняйте
Артикул: 171180
Датчик положения Festo SMT-8-NS-K-LED-24-B
2 недели
В корзине
Сравнения
Избранное
цену уточняйте
Артикул: E2E-X20D230-M1TGJ 0,3M
Датчик индуктивный Omron E2E-X20D230-M1TGJ 0.3M
2 недели
В корзине
Сравнения
Избранное
цену уточняйте
Артикул: E2E-X2R5D2-M1TGJ-T 0,3M
Датчик индуктивный Omron E2E-X2R5D2-M1TGJ-T 0.3M
2 недели
В корзине
Сравнения
Избранное
цену уточняйте
Артикул: E2E-X5MB1TL12 5M
Датчик приближения индуктивный Omron E2E-X5MB1TL12 5M
2 недели
В корзине
Сравнения
Избранное
цену уточняйте
Артикул: E2E-X10MD212-R 5M
Датчик индуктивный Omron E2E-X10MD212-R 5M
2 недели
В корзине

Индивидуальный подбор оборудования

Наша компания индивидуально подберет вам пневматического оборудование учитывая задачи и цели вашей компании.

Наши опытные инженеры готовы помочь вам в кратчайшие сроки. Для начала процесса подбора оборудования нам необходимо получить от вас информацию о вашей компании, конкретных задачах, которые вы хотите решить с помощью пневматического оборудования, а также ограничениях и требованиях, которые у вас есть.

Проведя анализ информации мы предложим вам оптимальное пневматическое оборудование, которое будет соответствовать вашим потребностям.

Мы учтем факторы, такие как производительность, эффективность, надежность и стоимость, чтобы предложить вам наилучшее решение.

Мы гарантируем индивидуальный подход к каждому клиенту и максимальную оперативность в решении задач. Наша цель - помочь вам оптимизировать процессы и достичь успеха в вашем бизнесе с помощью пневматического оборудования.

Если вы заинтересованы в индивидуальном подборе пневматического оборудования, пожалуйста, свяжитесь с нами, и наши специалисты будут рады помочь вам

Согласие на обработку
персональных данных *
directions
Более 427 000 наименований в нашем каталоге
Быстрая доставка
по РФ
Оплата в рассрочку или частями
Только оригинальная продукция

Меню сайта

Согласие на обработку
персональных данных *

В ближайшее время мы с Вами свяжемся
и уточним детали заявки

Тел: 8 800 555 39 10

Политика конфиденциальности

1. Пользователь заполняющий формы на сайте дает согласие на обработку Оператором своих персональных данных, то есть совершение, в том числе, следующих действий: обработку (включая сбор, систематизацию, накопление, хранение, уточнение (обновление, изменение)), использование, обезличивание, блокирование, уничтожение персональных данных, при этом общее описание вышеуказанных способов обработки данных приведено в Федеральном законе от 27.07.2006  № 152-ФЗ, а также на передачу такой информации третьим лицам, в случаях, установленных нормативными документами вышестоящих органов и законодательством.

2. Оператор использует персональные данные Пользователя в целях:
- получения запроса от Пользователя на Сайте;
- для оповещения об акциях, проводимых администрацией Сайта;
- получение Пользователем сообщений подписки, в рамках участника по условиям работы Сайта;
- получения Пользователем персонализированной рекламы;
- оформления запросов Пользователем настоящего Интернет ресурса сайта, получение уведомлений и ответов, на предмет текущего запроса;

3. Если предусмотрено при регистрации заявки на Сайте, Пользователь предоставляет следующую информацию: Фамилия, Имя, Отчество, контактный номер телефона, адрес электронной почты.

4. Настоящее согласие действует бессрочно.

5. Настоящее согласие может быть отозвано Пользователем в любой момент по соглашению сторон. В случае неправомерного использования предоставленных данных соглашение отзывается письменным заявлением субъекта персональных данных.

6. Субъект по письменному запросу имеет право на получение информации, касающейся обработки его персональных данных (в соответствии с п.4 ст.14 Федерального закона от 27.06.2006  № 152-ФЗ).