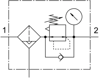
Фильтр-регулятор давления Festo MS4-LFR-1/4-D7-CRV-AS-Z
Артикул: 529155
Сравнения
Избранное
Описание и характеристики
Основные характеристики
Тип оборудования:
Фильтры
Серия товара:
MS4-LFR
Группа:
Отдельный модуль
Наименование:
Фильтр-регулятор давления
Особенности материалов
Материал соединительной плиты:
Алюминиевое литье под давление
Материал мембраны:
NBR (Бутадиен-нитрильный каучук)
Материал фильтра:
PE (Полиэтилен)
Материал панели управления:
PA (Полиамид)POM
Материал разделительной плиты:
POM (Полиформальдегид)
Материал уплотнения:
NBR (Бутадиен-нитрильный каучук)
Замечания по материалу:
Соответствует директиве RoHS
Кожух стакана:
Пластиковый
Материал стакана:
PC (Поликарбонат)
Материал корпуса:
Алюминиевое литье под давление
Условия эксплуатации
Рабочая среда:
Сжатый воздух по ISO 8573-1:2010 [7:4:-] Инертные газы
Сопротивление коррозии:
2 - Средняя стойкость к коррозии
Рабочая температура:
От +5 °C до +60 °C
Минимальное рабочее давление:
2 бар
Температура окружающей среды:
От +5 °C до +60 °C
Чистота воздуха на выходе:
Сжатый воздух в соответствии с ISO8573-1:2010 [6:4:4]
Максимальное рабочее давление:
12 бар
Технические характеристики
Функция контроллера:
Постоянная выходного давленияСо вторичным сбросомс обратным протоком
Тип сброса:
Автоматический
Присоединение:
1/4
Максимальный гистерезис давления:
0,25 бар
Индикация:
Манометр
Степень фильтрации:
5 мкм
Максимальный стандартный расход:
1200
Максимальный объем конденсата:
19 мл
Диапазон регулировки давления:
От 0,5 бар до 12 бар
Тип рукоятки:
Поворотная рукоятка с фиксацией. С принадлежностями, блокируемый
Массо-габаритные и монтажные характеристики
Тип резьбы:
G
Вес:
275 г
Положение при сборке:
Вертикально +/- 5°
Монтажный шаг:
40 мм
Тип крепления:
Установка передней панели. Линейный монтаж. С принадлежностями
Комбинации блоков
Блок фильтрации:
Фильтр-регулятор
*Производитель оставляет за собой право без уведомления дилера менять характеристики, внешний вид, комплектацию товара и место его производства. Указанная информация не является публичной офертой.
Документация
Способы доставки
Доставляем товары по все территории РФ и ближнему зарубежью.
Стоимость доставки зависит от удаленности , веса товара, габаритов и тарифа транспортной компании.
Доставка возможна до терминала транспортной компании или до конечного адреса заказчика.
Самовывоз возможен с нашего склада: г. Краснодар, ул. Ростовское шоссе 22/2 В
Режим работы склада с 09-18:00.
Способы оплаты
- Оплата товаров физическими лицами при оформлении заказа на сайте производится в онлайн-сервисе приема платежей.
- При самовывозе товаров со склада возможна оплата как наличными, так и банковской картой с получением товарного и фискального чека.
- Для Юридических лиц и ИП оплата производится путем банковского перевода по реквизитам организации.Счет на оплату формируется в корзине либо по запросу.
Похожие товары
Сравнения
Избранное

цену уточняйте
Артикул: MD1-FR3070-1/8-8
Фильтр-регулятор Camozzi MD1-FR3070-1/8-8
2 недели
Сравнения
Избранное

цену уточняйте
Артикул: B07-201-A1AG
Фильтр-регулятор давления Norgren B07-201-A1AG
2 недели
Сравнения
Избранное
цену уточняйте
Артикул: N171AEMBBSLK
Фильтр-регулятор Pneumax Airplus N171AEMBBSLK
2 недели
Сравнения
Избранное

цену уточняйте
Артикул: MD1-FR4500-10-1/4
Фильтр-регулятор Camozzi MD1-FR4500-10-1/4
2 недели
Сравнения
Избранное
цену уточняйте
Артикул: SMC-AW30-F03-E-1-B
Фильтр-регулятор давления SMC AW30-F03-E-1-B
2 недели

Фильтропатроны осушителя воздуха

Пневматические фильтры для подготовки воздуха

Отвод конденсата

Блоки подготовки воздуха

Лубрикаторы (Маслораспылители) для пневмоинструмента

Модули разветвления

Осушители воздуха для компрессора

Усилители давления воздуха

Манометры и вакуумметры

Регуляторы давления воздуха