Клапан обратный двухстворчатый межфланцевый из нержавеющей стали Genebre 2402-13 Ру25 Ду125 (PN25 DN125 )

Артикул: 47900
Сравнения
Избранное
Производитель:
Genebre
Артикул:
47900
Наименование:
Клапан

Перейти к описанию
цену уточняйте
Цена с НДС 20%
В корзине
2 недели

Описание и характеристики

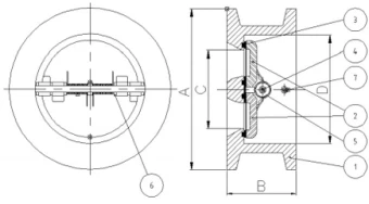
Клапан обратный двухстворчатый межфланцевый из нержавеющей стали GENEBRE 2402 PN25 DN125 — двухстворчатый подпружиненный межфланцевый дисковый обратный клапан вафельного типа. Это защитная трубопроводная арматура прямого действия, которая пропускает поток среды в одном направлении и автоматически перекрывает проходное сечение в случае обратного тока.

Ключевые особенности

  • корпус, диск, шток, стопор диска и пружина обратного клапана изготавливаются из нержавеющей стали AISI 316 (CF8M). Это легированная сталь с пониженным содержанием углерода и высокой удельной частью никеля и хрома. Добавка молибдена обеспечивает повышенную устойчивость атмосферным осадкам, морской воде, кислотам (серной, молочной, уксусной, фосфорной, борной, щавелевой). Сохраняет свои свойства при высоких температурах;
  • седло и подшипники из фтористого каучука FKM (Viton);
  • монтаж между фланцами по стандарту EN 1092 PN25 и ANSI 150;
  • могут устанавливаться между фланцами DIN PN-25;
  • могут устанавливаться в вертикальном, горизонтальном и наклонном положении;
  • расстояние между фланцами согласно нормы EN 558-1.

Где применяются?

  • промышленные системы разных видов;
  • инженерные системы трубопроводов;
  • системы кондиционирования воздуха;
  • системы водоотведения и канализации;
  • водоснабжение холодной и горячей водой.

Основные характеристики

Серия товара:
2402
Группа:
Обратные
Наименование:
Клапан

Стандарты

Стандарт расстояния между фланцами:
EN 558-1

Технические характеристики

Вид арматуры:
Обратная
Тип конструкции:
Двухстворчатый пружинный
Строительная высота:
196 мм
Тип корпуса:
Литой
Давление номинальное:
PN25
Тип присоединения к трубопроводу:
Межфланцевая арматура
Присоединение 1:
5
Присоединение 2:
5
Диаметр номинальный:
DN125

Условия эксплуатации

Рабочая температура:
От -20 °C до +180 °C

Особенности материалов

Материал пружины:
Нержавеющая сталь AISI 316
Марка материала запирающего элемента:
1,4408 (CF8M)
Материал стопора диска:
Нержавеющая сталь AISI 316
Материал шайбы:
PTFE (Политетрафторэтилен)
Материал втулки:
FKM (Витон)
Марка материала корпуса:
1,4408 (CF8M)
Материал корпуса:
Нержавеющая сталь

Массо-габаритные и монтажные характеристики

Тип присоединения на входе:
Межфланцевое
Вес:
8,05 кг
Строительная длина:
70 мм
Тип присоединения на выходе:
Межфланцевое
*Производитель оставляет за собой право без уведомления дилера менять характеристики, внешний вид, комплектацию товара и место его производства. Указанная информация не является публичной офертой.

Документация

Способы доставки

Доставляем товары по все территории РФ и ближнему зарубежью.
Стоимость доставки зависит от удаленности , веса товара, габаритов и тарифа транспортной компании.
Доставка возможна до терминала транспортной компании или до конечного адреса заказчика.
Самовывоз возможен с нашего склада: г. Краснодар, ул. Ростовское шоссе 22/2 В
Режим работы склада с 09-18:00.

Способы оплаты

  • Оплата товаров физическими лицами при оформлении заказа на сайте производится в онлайн-сервисе приема платежей.
  • При самовывозе товаров со склада возможна оплата как наличными, так и банковской картой с получением товарного и фискального чека.
  • Для Юридических лиц и ИП оплата производится путем банковского перевода по реквизитам организации.Счет на оплату формируется в корзине либо по запросу.

Похожие товары

Сравнения
Избранное
цену уточняйте
Артикул: 56179
Клапан обратный пружинный латунный межфланцевый ZETKAMA 275H-032-C50 Ру16 Ду32 (PN16 DN32 )
2 недели
В корзине
Сравнения
Избранное
цену уточняйте
Артикул: 83875
Клапан обратный двухстворчатый чугунный межфланцевый ZETKAMA 407A-040-C54 Ру16 Ду40 (PN16 DN40 )
2 недели
В корзине
Сравнения
Избранное
цену уточняйте
Артикул: AB95912
Обратный клапан пружинный межфланцевый ABRA D71 Ру25 Ду25 (PN25 DN25 )
2 недели
В корзине
Сравнения
Избранное
цену уточняйте
Артикул: 56191
Клапан обратный пружинный нержавеющая сталь межфланцевый ZETKAMA 275I-080-E51 Ру40 Ду80 (PN40 DN80 )
2 недели
В корзине

Индивидуальный подбор оборудования

Наша компания индивидуально подберет вам пневматического оборудование учитывая задачи и цели вашей компании.

Наши опытные инженеры готовы помочь вам в кратчайшие сроки. Для начала процесса подбора оборудования нам необходимо получить от вас информацию о вашей компании, конкретных задачах, которые вы хотите решить с помощью пневматического оборудования, а также ограничениях и требованиях, которые у вас есть.

Проведя анализ информации мы предложим вам оптимальное пневматическое оборудование, которое будет соответствовать вашим потребностям.

Мы учтем факторы, такие как производительность, эффективность, надежность и стоимость, чтобы предложить вам наилучшее решение.

Мы гарантируем индивидуальный подход к каждому клиенту и максимальную оперативность в решении задач. Наша цель - помочь вам оптимизировать процессы и достичь успеха в вашем бизнесе с помощью пневматического оборудования.

Если вы заинтересованы в индивидуальном подборе пневматического оборудования, пожалуйста, свяжитесь с нами, и наши специалисты будут рады помочь вам

Согласие на обработку
персональных данных *
directions
Более 427 000 наименований в нашем каталоге
Быстрая доставка
по РФ
Оплата в рассрочку или частями
Только оригинальная продукция

Меню сайта

Согласие на обработку
персональных данных *

В ближайшее время мы с Вами свяжемся
и уточним детали заявки

Тел: 8 800 555 39 10

Политика конфиденциальности

1. Пользователь заполняющий формы на сайте дает согласие на обработку Оператором своих персональных данных, то есть совершение, в том числе, следующих действий: обработку (включая сбор, систематизацию, накопление, хранение, уточнение (обновление, изменение)), использование, обезличивание, блокирование, уничтожение персональных данных, при этом общее описание вышеуказанных способов обработки данных приведено в Федеральном законе от 27.07.2006  № 152-ФЗ, а также на передачу такой информации третьим лицам, в случаях, установленных нормативными документами вышестоящих органов и законодательством.

2. Оператор использует персональные данные Пользователя в целях:
- получения запроса от Пользователя на Сайте;
- для оповещения об акциях, проводимых администрацией Сайта;
- получение Пользователем сообщений подписки, в рамках участника по условиям работы Сайта;
- получения Пользователем персонализированной рекламы;
- оформления запросов Пользователем настоящего Интернет ресурса сайта, получение уведомлений и ответов, на предмет текущего запроса;

3. Если предусмотрено при регистрации заявки на Сайте, Пользователь предоставляет следующую информацию: Фамилия, Имя, Отчество, контактный номер телефона, адрес электронной почты.

4. Настоящее согласие действует бессрочно.

5. Настоящее согласие может быть отозвано Пользователем в любой момент по соглашению сторон. В случае неправомерного использования предоставленных данных соглашение отзывается письменным заявлением субъекта персональных данных.

6. Субъект по письменному запросу имеет право на получение информации, касающейся обработки его персональных данных (в соответствии с п.4 ст.14 Федерального закона от 27.06.2006  № 152-ФЗ).