Компактный измеритель ОВЕН ИТП-11.ЗЛ

Артикул: 74069
Сравнения
Избранное
Производитель:
ОВЕН
Артикул:
74069
Наименование:
Измеритель

Перейти к описанию
6 076 ₽
Цена с НДС 20%
В корзине
2 недели

Описание и характеристики

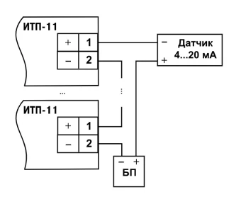
Компактный измеритель Owen ИТП-11-ЗЛ — компактный измеритель технологических параметров. Предназначен для контроля и отображения на цифровом индикаторе унифицированных сигналов тока и напряжения. Поддерживает работу со стандартными датчиками температуры без применения нормирующих преобразователей.

Основные функции

  • контроль температуры или другой физической величины (давления, влажности, уровня и т. п.);
  • масштабирование измеренного сигнала в нужные единицы измерения (для ИТП-11, ИТП-14);
  • цифровой фильтр устраняет шумовые составляющие входного сигнала и/или сглаживает быстро меняющийся входной сигнал по экспоненциальному закону;
  • возможность вычисления квадратного корня (для ИТП-11, ИТП-14);
  • индикация аварии при обрыве входного сигнала или выхода за указанные границы;
  • мигание индикатора при входе измеряемой величины в критическую зону (для приборов ИТП-11.х.Н3, настенное исполнение) функция мигания индикатора отсутствует).

Особенности

  • измеряемые сигналы ИТП-11: ток — 4…20 мА с питанием от сигнала;
  • измеряемые сигналы для ИТП-14: ток — 0…20 мА, 0…5 мА, 4…20 мА; напряжение — 0…10 В, 2…10 В;
  • ИТП-16 поддерживает градуировки: термоэлектрических преобразователей L (ГОСТ 8.525 и DIN 43710), K, J, N, T, S, R, B, A(1-3); термометров сопротивления M, Cu, П, Pt, Ni при 50, 100, 500, 1000 Ом;
  • выходное устройство для сигнализации или управления 200 мА 42 В (для ИТП-14, ИТП-16);
  • питание — от внешнего источника постоянного напряжения 24 В (для ИТП-14, ИТП-16) или от токовой петли (падение напряжения 4-10 В);

Эксплуатация

  • самозажимные клеммные соединители (для ИТП-14, ИТП-16);
  • красная или зеленая индикация (оговаривается при заказе);
  • эксплуатация при температуре окружающей среды: от -40 до +60 °С;
  • гарантийный срок — 2 года;
  • межповерочный интервал: ИТП-11 — 3 года, ИТП-14 и ИТП-16 — 5 лет.

Монтаж

  • крепление на дверцу щита в отверстие 22 мм;
  • крепление на стену (для ИТП-11);
  • крепление на DIN-рейку (для ИТП-11);
  • крепление на трубу (для ИТП-11).

Где применяются?

Приборы применяются в составе систем автоматизированного контроля и управления технологическими процессами в качестве основного или дополнительного индикатора физических величин, измеряемых первичными преобразователями, имеющими выходной унифицированный сигнал от 4 до 20 мА.

Комплектность

  • Прибор ИТП;
  • Руководство по эксплуатации;
  • Паспорт и Гарантийный талон;
  • Комплект крепежных элементов;
  • Комплект наконечников;
  • Методика поверки (по требованию заказчика).

Основные характеристики

Серия товара:
ИТП
Наименование:
Измеритель

Технические характеристики

Тип измерителя:
Измеритель 4…20 мА с питанием от изменяемого сигнала
Потребляемая мощность:
Не более 4 В
Время опроса одного входа:
Не более 1 с
Габаритные размеры:
26×48×65 мм
Класс защиты:
IP65
Цвет индикации:
Зеленый
Основная погрешность измерения входного параметра:
В пределах 0,2 %
Тип корпуса:
Щитовой

Условия эксплуатации

Температура эксплуатации:
От -40 °С до +80 °С

Массо-габаритные и монтажные характеристики

Вес:
Не более 0,1 кг
*Производитель оставляет за собой право без уведомления дилера менять характеристики, внешний вид, комплектацию товара и место его производства. Указанная информация не является публичной офертой.

Документация

Способы доставки

Доставляем товары по все территории РФ и ближнему зарубежью.
Стоимость доставки зависит от удаленности , веса товара, габаритов и тарифа транспортной компании.
Доставка возможна до терминала транспортной компании или до конечного адреса заказчика.
Самовывоз возможен с нашего склада: г. Краснодар, ул. Ростовское шоссе 22/2 В
Режим работы склада с 09-18:00.

Способы оплаты

  • Оплата товаров физическими лицами при оформлении заказа на сайте производится в онлайн-сервисе приема платежей.
  • При самовывозе товаров со склада возможна оплата как наличными, так и банковской картой с получением товарного и фискального чека.
  • Для Юридических лиц и ИП оплата производится путем банковского перевода по реквизитам организации.Счет на оплату формируется в корзине либо по запросу.

Похожие товары

Сравнения
Избранное
цену уточняйте
Артикул: E5CC-RX3D5M-001
Контроллер температуры цифровой Omron E5CC-RX3D5M-001
2 недели
В корзине
Сравнения
Избранное
31 590 ₽
Артикул: 349484
Двухканальный ПИД-регулятор с RS-485 ОВЕН ТРМ151-Щ1.ИС.05
2 недели
В корзине
Сравнения
Избранное
17 598 ₽
Артикул: 80155
ПИД-регулятор с универсальным входом для задвижек с RS-485 ОВЕН ТРМ212-Н2.ТТ
2 недели
В корзине
Сравнения
Избранное
31 590 ₽
Артикул: 10467
Двухканальный ПИД-регулятор с RS-485 ОВЕН ТРМ151-Н.ИР.03
2 недели
В корзине
Сравнения
Избранное
13 770 ₽
Артикул: 35541
ПИД-регулятор с универсальным входом и RS-485 ОВЕН ТРМ210-Щ2.ИР
2 недели
В корзине

Индивидуальный подбор оборудования

Наша компания индивидуально подберет вам пневматического оборудование учитывая задачи и цели вашей компании.

Наши опытные инженеры готовы помочь вам в кратчайшие сроки. Для начала процесса подбора оборудования нам необходимо получить от вас информацию о вашей компании, конкретных задачах, которые вы хотите решить с помощью пневматического оборудования, а также ограничениях и требованиях, которые у вас есть.

Проведя анализ информации мы предложим вам оптимальное пневматическое оборудование, которое будет соответствовать вашим потребностям.

Мы учтем факторы, такие как производительность, эффективность, надежность и стоимость, чтобы предложить вам наилучшее решение.

Мы гарантируем индивидуальный подход к каждому клиенту и максимальную оперативность в решении задач. Наша цель - помочь вам оптимизировать процессы и достичь успеха в вашем бизнесе с помощью пневматического оборудования.

Если вы заинтересованы в индивидуальном подборе пневматического оборудования, пожалуйста, свяжитесь с нами, и наши специалисты будут рады помочь вам

Согласие на обработку
персональных данных *
directions
Более 427 000 наименований в нашем каталоге
Быстрая доставка
по РФ
Оплата в рассрочку или частями
Только оригинальная продукция

Меню сайта

Согласие на обработку
персональных данных *

В ближайшее время мы с Вами свяжемся
и уточним детали заявки

Тел: 8 800 555 39 10

Политика конфиденциальности

1. Пользователь заполняющий формы на сайте дает согласие на обработку Оператором своих персональных данных, то есть совершение, в том числе, следующих действий: обработку (включая сбор, систематизацию, накопление, хранение, уточнение (обновление, изменение)), использование, обезличивание, блокирование, уничтожение персональных данных, при этом общее описание вышеуказанных способов обработки данных приведено в Федеральном законе от 27.07.2006  № 152-ФЗ, а также на передачу такой информации третьим лицам, в случаях, установленных нормативными документами вышестоящих органов и законодательством.

2. Оператор использует персональные данные Пользователя в целях:
- получения запроса от Пользователя на Сайте;
- для оповещения об акциях, проводимых администрацией Сайта;
- получение Пользователем сообщений подписки, в рамках участника по условиям работы Сайта;
- получения Пользователем персонализированной рекламы;
- оформления запросов Пользователем настоящего Интернет ресурса сайта, получение уведомлений и ответов, на предмет текущего запроса;

3. Если предусмотрено при регистрации заявки на Сайте, Пользователь предоставляет следующую информацию: Фамилия, Имя, Отчество, контактный номер телефона, адрес электронной почты.

4. Настоящее согласие действует бессрочно.

5. Настоящее согласие может быть отозвано Пользователем в любой момент по соглашению сторон. В случае неправомерного использования предоставленных данных соглашение отзывается письменным заявлением субъекта персональных данных.

6. Субъект по письменному запросу имеет право на получение информации, касающейся обработки его персональных данных (в соответствии с п.4 ст.14 Федерального закона от 27.06.2006  № 152-ФЗ).