Термометр биметаллический МЕТЕР ТБ-3-100-0...120-60-1-1

Артикул: ТБ-3-100-120-60-1-1
Сравнения
Избранное
Производитель:
МЕТЕР
Артикул:
ТБ-3-100-120-60-1-1
Наименование:
Термометр биметаллический

Перейти к описанию
цену уточняйте
Цена с НДС 20%
В корзине
2 недели

Описание и характеристики

Основные характеристики

Наименование:
Термометр биметаллический
Серия товара:
ТБ-3

Массо-габаритные и монтажные характеристики

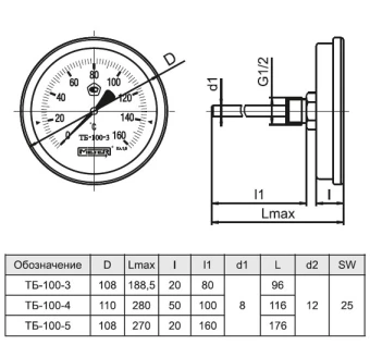
Длина штока:
60 мм

Условия эксплуатации

Температура окружающей среды:
От -50 °C до +70 °C

Технические характеристики

Присоединение:
G1/2
Материал гильзы:
Нержавеющая сталь
Номинальный диаметр корпуса:
100 мм
Класс точности:
1
Класс защиты:
IP54
Оптимальное решение для:
Применения в пищевой промышленности и нефтехимии для измерения температуры агрессивных сред
Допустимое эксплуатационное давление:
6 МПа
Положение гильзы:
Осевое
Диапазон измерений температуры:
От 0 до +120 °C

Особенности материалов

Материал корпуса:
Нержавеющая сталь
*Производитель оставляет за собой право без уведомления дилера менять характеристики, внешний вид, комплектацию товара и место его производства. Указанная информация не является публичной офертой.

Документация

Способы доставки

Доставляем товары по все территории РФ и ближнему зарубежью.
Стоимость доставки зависит от удаленности , веса товара, габаритов и тарифа транспортной компании.
Доставка возможна до терминала транспортной компании или до конечного адреса заказчика.
Самовывоз возможен с нашего склада: г. Краснодар, ул. Ростовское шоссе 22/2 В
Режим работы склада с 09-18:00.

Способы оплаты

  • Оплата товаров физическими лицами при оформлении заказа на сайте производится в онлайн-сервисе приема платежей.
  • При самовывозе товаров со склада возможна оплата как наличными, так и банковской картой с получением товарного и фискального чека.
  • Для Юридических лиц и ИП оплата производится путем банковского перевода по реквизитам организации.Счет на оплату формируется в корзине либо по запросу.

Похожие товары

Сравнения
Избранное
цену уточняйте
Артикул: ТБ-2-80-60-80-1,5-1
Термометр биметаллический общетехнический радиальный МЕТЕР ТБ-2-80-0...60-80-1,5-1
2 недели
В корзине
Сравнения
Избранное
цену уточняйте
Артикул: ТБ-5-80-80-100-1-0
Термометр биметаллический МЕТЕР ТБ-5-80-0...80-100-1-0
2 недели
В корзине
Сравнения
Избранное
цену уточняйте
Артикул: ТБ-4-63-500-40-2,5-0
Термометр биметаллический МЕТЕР ТБ-4-63-0...500-40-2,5-0
2 недели
В корзине
Сравнения
Избранное
цену уточняйте
Артикул: ТБ1-63-80-40-2,5-2
Термометр биметаллический общетехнический МЕТЕР ТБ1-63--20...+80-40-2,5-2
2 недели
В корзине
Сравнения
Избранное
цену уточняйте
Артикул: ТБ-5-160-80-40-1,5-1
Термометр биметаллический МЕТЕР ТБ-5-160-0...80-40-1,5-1
2 недели
В корзине

Индивидуальный подбор оборудования

Наша компания индивидуально подберет вам пневматического оборудование учитывая задачи и цели вашей компании.

Наши опытные инженеры готовы помочь вам в кратчайшие сроки. Для начала процесса подбора оборудования нам необходимо получить от вас информацию о вашей компании, конкретных задачах, которые вы хотите решить с помощью пневматического оборудования, а также ограничениях и требованиях, которые у вас есть.

Проведя анализ информации мы предложим вам оптимальное пневматическое оборудование, которое будет соответствовать вашим потребностям.

Мы учтем факторы, такие как производительность, эффективность, надежность и стоимость, чтобы предложить вам наилучшее решение.

Мы гарантируем индивидуальный подход к каждому клиенту и максимальную оперативность в решении задач. Наша цель - помочь вам оптимизировать процессы и достичь успеха в вашем бизнесе с помощью пневматического оборудования.

Если вы заинтересованы в индивидуальном подборе пневматического оборудования, пожалуйста, свяжитесь с нами, и наши специалисты будут рады помочь вам

Согласие на обработку
персональных данных *
directions
Более 427 000 наименований в нашем каталоге
Быстрая доставка
по РФ
Оплата в рассрочку или частями
Только оригинальная продукция

Меню сайта

Согласие на обработку
персональных данных *

В ближайшее время мы с Вами свяжемся
и уточним детали заявки

Тел: 8 800 555 39 10

Политика конфиденциальности

1. Пользователь заполняющий формы на сайте дает согласие на обработку Оператором своих персональных данных, то есть совершение, в том числе, следующих действий: обработку (включая сбор, систематизацию, накопление, хранение, уточнение (обновление, изменение)), использование, обезличивание, блокирование, уничтожение персональных данных, при этом общее описание вышеуказанных способов обработки данных приведено в Федеральном законе от 27.07.2006  № 152-ФЗ, а также на передачу такой информации третьим лицам, в случаях, установленных нормативными документами вышестоящих органов и законодательством.

2. Оператор использует персональные данные Пользователя в целях:
- получения запроса от Пользователя на Сайте;
- для оповещения об акциях, проводимых администрацией Сайта;
- получение Пользователем сообщений подписки, в рамках участника по условиям работы Сайта;
- получения Пользователем персонализированной рекламы;
- оформления запросов Пользователем настоящего Интернет ресурса сайта, получение уведомлений и ответов, на предмет текущего запроса;

3. Если предусмотрено при регистрации заявки на Сайте, Пользователь предоставляет следующую информацию: Фамилия, Имя, Отчество, контактный номер телефона, адрес электронной почты.

4. Настоящее согласие действует бессрочно.

5. Настоящее согласие может быть отозвано Пользователем в любой момент по соглашению сторон. В случае неправомерного использования предоставленных данных соглашение отзывается письменным заявлением субъекта персональных данных.

6. Субъект по письменному запросу имеет право на получение информации, касающейся обработки его персональных данных (в соответствии с п.4 ст.14 Федерального закона от 27.06.2006  № 152-ФЗ).