Восьмиканальный измеритель с аварийной сигнализацией ОВЕН УКТ38-Щ4-АН

Артикул: 346154
Сравнения
Избранное
Производитель:
ОВЕН
Артикул:
346154
Наименование:
Восьмиканальный измеритель

Перейти к описанию
21 600 ₽
Цена с НДС 20%
В корзине
2 недели

Описание и характеристики

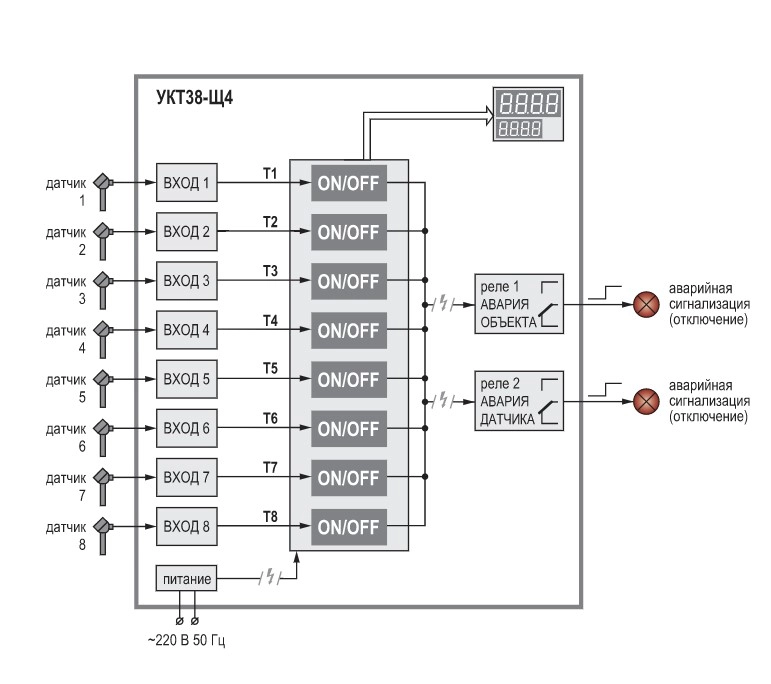
Восьмиканальный измеритель с аварийной сигнализацией Owen УКТ38-Щ4-АН — восьмиканальный измеритель с аварийной сигнализацией. Прибор предназначен для контроля температуры, давления, влажности, уровня или другой физической величины в нескольких зонах одновременно (до восьми) и аварийной сигнализации о выходе любого из контролируемых параметров за заданные пределы. Выпускается согласно ТУ 4211-015-46526536-2005.

Основные функции

  • прием сигналов от подключенных датчиков;
  • преобразование полученных сигналов в значения контролируемых физических величин;
  • контроль температуры или другой физической величины (давления, влажности, уровня и т. п.) в нескольких зонах одновременно (до 8-ми);
  • отображение одного из измеренных значений на встроенном цифровом индикаторе;
  • сигнализация «авария объекта» о выходе любой из контролируемых величин за заданные пределы;
  • сигнализация «авария датчика» при обрыве или коротком замыкании датчика.

Особенности

  • восемь входов для подключения датчиков: термопреобразователей сопротивления (ТСМ и ТСП 50/100, Pt100), термопар (ТХК, ТХА, ТНН, ТЖК, ТПП(S), ТПП(R)), датчиков с унифицированным выходным сигналом тока 0(4)...20 мА, 0...5 мА или напряжения 0...1 В;
  • два выходных реле для включения аварийной сигнализации или аварийного отключения установки;
  • индикация измеренных величин и заданных для них уставок на двух встроенных индикаторах;
  • программирование кнопками на лицевой панели прибора;
  • сохранение заданных параметров при отключении питания.

Эксплуатация

Измеритель следует устанавливать вне взрывоопасных зон в соответствии с маркировкой взрывозащиты и нормативными документами, регламентирующими применение электрооборудования, связанного по внешним искробезопасным цепям с датчиками, расположенными во взрывоопасной зоне.

Исполнение

Прибор выпускается в корпусе типа Щ (для установки на щит).

Где применяются?

ОВЕН УКТ38 применяется в качестве аварийного сигнализатора в многозонных печах в пищевой, металлургической и других отраслях промышленности.

Комплектность

  • Прибор;
  • Руководство по эксплуатации;
  • Паспорт и Гарантийный талон;
  • Комплект крепежных элементов;
  • Методика поверки (по требованию заказчика).

Основные характеристики

Серия товара:
УКТ38
Наименование:
Восьмиканальный измеритель

Технические характеристики

Класс защиты:
IP54
Диапазон частоты:
От 47 Гц до 63 Гц
Тип входов:
для подключения датчиков с унифицированным сигналом напряжения 0…1 В
Аварийная сигнализация:
Да
Тип корпуса:
Щитовой
Потребляемая мощность:
6 ВА
Количество входов:
8
Продолжительность цикла опроса всех входов:
2,1 сек
Напряжение питания:
От 90 В до 245 В
Габаритные размеры:
96х96х145 мм

Условия эксплуатации

Температура эксплуатации:
От +1 °С до + 50 °С

Массо-габаритные и монтажные характеристики

Вес:
1 кг
Количество выходов:
2
*Производитель оставляет за собой право без уведомления дилера менять характеристики, внешний вид, комплектацию товара и место его производства. Указанная информация не является публичной офертой.

Документация

Способы доставки

Доставляем товары по все территории РФ и ближнему зарубежью.
Стоимость доставки зависит от удаленности , веса товара, габаритов и тарифа транспортной компании.
Доставка возможна до терминала транспортной компании или до конечного адреса заказчика.
Самовывоз возможен с нашего склада: г. Краснодар, ул. Ростовское шоссе 22/2 В
Режим работы склада с 09-18:00.

Способы оплаты

  • Оплата товаров физическими лицами при оформлении заказа на сайте производится в онлайн-сервисе приема платежей.
  • При самовывозе товаров со склада возможна оплата как наличными, так и банковской картой с получением товарного и фискального чека.
  • Для Юридических лиц и ИП оплата производится путем банковского перевода по реквизитам организации.Счет на оплату формируется в корзине либо по запросу.

Похожие товары

Сравнения
Избранное
15 088 ₽
Артикул: 16763
ПИД-регулятор с универсальным входом в корпусе 48×48мм ОВЕН ТРМ101-ТР
2 недели
В корзине
Сравнения
Избранное
27 600 ₽
Артикул: 55319
Восьмиканальный ПИД-регулятор с RS-485 ОВЕН ТРМ148-ИИКККККК
2 недели
В корзине
Сравнения
Избранное
24 600 ₽
Артикул: 38872
Восьмиканальный ПИД-регулятор с RS-485 ОВЕН ТРМ148-С.Щ7
2 недели
В корзине
Сравнения
Избранное
31 590 ₽
Артикул: 18134
Двухканальный ПИД-регулятор с RS-485 ОВЕН ТРМ151-Щ1.УИ.01
2 недели
В корзине
Сравнения
Избранное
цену уточняйте
Артикул: 345713
Восьмиканальный измеритель для взрывоопасных зон с сигнализацией ОВЕН УКТ38-В-01
2 недели
В корзине

Индивидуальный подбор оборудования

Наша компания индивидуально подберет вам пневматического оборудование учитывая задачи и цели вашей компании.

Наши опытные инженеры готовы помочь вам в кратчайшие сроки. Для начала процесса подбора оборудования нам необходимо получить от вас информацию о вашей компании, конкретных задачах, которые вы хотите решить с помощью пневматического оборудования, а также ограничениях и требованиях, которые у вас есть.

Проведя анализ информации мы предложим вам оптимальное пневматическое оборудование, которое будет соответствовать вашим потребностям.

Мы учтем факторы, такие как производительность, эффективность, надежность и стоимость, чтобы предложить вам наилучшее решение.

Мы гарантируем индивидуальный подход к каждому клиенту и максимальную оперативность в решении задач. Наша цель - помочь вам оптимизировать процессы и достичь успеха в вашем бизнесе с помощью пневматического оборудования.

Если вы заинтересованы в индивидуальном подборе пневматического оборудования, пожалуйста, свяжитесь с нами, и наши специалисты будут рады помочь вам

Согласие на обработку
персональных данных *
directions
Более 427 000 наименований в нашем каталоге
Быстрая доставка
по РФ
Оплата в рассрочку или частями
Только оригинальная продукция

Меню сайта

Согласие на обработку
персональных данных *

В ближайшее время мы с Вами свяжемся
и уточним детали заявки

Тел: 8 800 555 39 10

Политика конфиденциальности

1. Пользователь заполняющий формы на сайте дает согласие на обработку Оператором своих персональных данных, то есть совершение, в том числе, следующих действий: обработку (включая сбор, систематизацию, накопление, хранение, уточнение (обновление, изменение)), использование, обезличивание, блокирование, уничтожение персональных данных, при этом общее описание вышеуказанных способов обработки данных приведено в Федеральном законе от 27.07.2006  № 152-ФЗ, а также на передачу такой информации третьим лицам, в случаях, установленных нормативными документами вышестоящих органов и законодательством.

2. Оператор использует персональные данные Пользователя в целях:
- получения запроса от Пользователя на Сайте;
- для оповещения об акциях, проводимых администрацией Сайта;
- получение Пользователем сообщений подписки, в рамках участника по условиям работы Сайта;
- получения Пользователем персонализированной рекламы;
- оформления запросов Пользователем настоящего Интернет ресурса сайта, получение уведомлений и ответов, на предмет текущего запроса;

3. Если предусмотрено при регистрации заявки на Сайте, Пользователь предоставляет следующую информацию: Фамилия, Имя, Отчество, контактный номер телефона, адрес электронной почты.

4. Настоящее согласие действует бессрочно.

5. Настоящее согласие может быть отозвано Пользователем в любой момент по соглашению сторон. В случае неправомерного использования предоставленных данных соглашение отзывается письменным заявлением субъекта персональных данных.

6. Субъект по письменному запросу имеет право на получение информации, касающейся обработки его персональных данных (в соответствии с п.4 ст.14 Федерального закона от 27.06.2006  № 152-ФЗ).